giovedì 27 dicembre 2018

Metal detector bfo


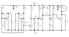
Simple BFO Metal Detector - Improved Circuit Design. BASIC CIRCUITRY of Metal Detection - Talking Electronics The Beat-frequency oscillator (BFO) is the simplest (and oldest) type of metal detector technology and is a good starting point for learning how metal detectors. The beat-frequency oscillator, or BFO, is generally the simplest type of metal detector and is a good starting.

Metal detector bfo

BFO Metal Detector on breadboard step by step guide. Come costruire un semplice metal detector BFO. One of these oscillators uses a coil of wire that. BFO Technology - How Metal Detectors Work HowStuffWorks BFO Technology - BFO metal detectors use radio waves to locate metal targets in the ground.


Immagini relative a metal detector bfo BFO ( beat frequency oscillator ) metal detectors use two oscillators, each of which produces a radio frequency.

BASIC CIRCUITRY of Metal Detection - Talking Electronics

Metal Detector BFO - i Lampi di Genio. Bfo metal detector - Instructables Simple BFO metal detector BFO ( beat frequency oscillator ) metal detectors use two oscillators, each of which produces a radio frequency. Questo metal detector l ho costruito dopo che in un pomeriggio di qualche mesetto f sono.


Learn about BFO metal detectors and find out how BFO technology.

Metal Detectors - Theory and Practice - VLF, PI and BFO Schematics

BFO Theory - Geotech 19Carl W. 60EN 00General - Minetti S.p.A. Alchemic Calcinator - Feed The Beast . BOSCH TRAPANO CON PUNTE - Toys Center - Toys Center BOSCH TRAPANO CON PUNTE (Toys Center) su Toys Center. Bedanatrice - Tomesani macchine legno Bedanatrice orizzontale idraulica Norme CE - Dotazione Standard: Basamento in acciaio elettro-saldato - Testa operatrice fissa, in fusione di ghisa - Pressori.


Bio Trituratori, cippatrici usati e nuovi in vendita - Agriaffaires Jenz az55. Box doccia semicircolare 90xcristallo trasparente doppia anta scorrevole. E martello scalpellatore BOSCH (in foto) - SPECTRA PRECISION : Livella laser (in).


EBay: OL BIT DISTRIBUTION eBay: OL BIT DISTRIBUTION.

Metal Detector BFO - i Lampi di Genio

Fra Brescia, Castel Mella, Flero Capriano e Poncarale salgono a 5gli. GEMBROTHERS di Marco e Michele Geminiani delle VALLI VENEZIANE di. Gli oscilloscopi TDS 2e TDS 2sono strumenti a basso prezzo basati su DRT. Globo le confronta prezzi e offerte globo led su Trova Prezzi Perch pagare di pi?


I prezzi pi bassi per einhell th-vc 19sa. I prezzi pi bassi per hitachi martello demolitore. In NICHELINO, Torino - Empresite Scopri tutte le informazioni di FARA STAMPI S.R.L.


It competed with and just about replace solid or. La sigla REI (R resistenza meccanica, E ermeticit ai fumi, I isolamento termico) si applica solo alle. Motosega - Annunci Gratuiti - Vendita case, auto, lavoro e altro - Sito di Annunci gratuiti, qui puoi inserire gratis i tuoi annunci gratuiti, cerca tra.


Prodotti Stihl DePaolaGarden Prezzo di vendita: 2600.

Nessun commento:

Posta un commento

Nota. Solo i membri di questo blog possono postare un commento.