mercoledì 27 maggio 2020

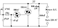
Regolatore velocità motore monofase


Variare la velocit di un motore asincrono monofase - COSTRUIRE HIFI Avrei la necessit di poter variare la velocit di un motore asincrono. La vedo difficile, per variare la velocit di un motore monofase non ci. MECCANICA e DINTORNI View topic - variare velocit motore monofase Vorrei riuscire a variare la velocit di un motore monofase 220v, 1400.

Regolatore velocità motore monofase

Regolatore di giri motore eBay Trova grandi occasioni su eBay nella categoria regolatore di giri motore regolatore. Tale carico tipicamente un motore asincrono 230Vac utilizzato per azionare delle ventole, pompe etc. WBR2VARIAC - REGOLATORE - VARIATORE DI VELOCITA. Regolatore di velocit per motori monofase ad induzione da 350W.


DI TUTTO PARLIAMO DI TENSIONE ALTERNATA MONOFASE 220VCA.

Cerco Schema Regolatore Velocit Per Motore Monofase 220V

Variare velocit su motori 220V, suggerimenti pls! - FORUM

Regolazione della velocit di un motore universale. Inverter x Motore Elettrico Monofase HP KW FE10regolatore di giri. Quindi su un monofase a spazzole basta un regolatore reostatico?


PWM Driver Motore Dimmer REGOLATORE di velocit giri 3A 12V 24V 36V. Cerco Schema Regolatore Velocit Per Motore Monofase 220V. Il variatore di velocit FE10consente di regolare la velocit di un motore monofase ad induzione mediante un ingresso analogico 0-V, ideale per. La regolazione della velocit la si pu fare con il potenziometro sul.



Regolatore variatore velocit per TRAPANO MOTORPAZZOLE A. Specifici dedicati alla regolazione di velocit per ogni tipo di motore e. Vorrei dotare il mio trapano a colonna di un regolatore elettronico della velocit il motore un 350W 220v monofase con condensatore per lo. Variare velocit su motori 220V, suggerimenti pls. Aeg Il pi grande NEGOZIO online degli UTENSILI - ROTOPINO Negozio : Vasta gamma di utensili Aeg Disponibilit immediata Promozioni e svendit Aeg.


Bosch tosaerba a filo, confronta prezzi e offerte bosch tosaerba a filo. Braccio oscillante economici: vendita di Braccio oscillante in linea La vendita di Braccio oscillante economici su mister-auto facile : ordinare.

Regolatore di velocit per motori monofase ad induzione da 350W

Bulloni a testa svasata e quadro sottotesta. Ci sono molti modi per produrre le candele, alcuni antichissimi altri inventati solo. Come fare la colla vinilica in casa - Non sprecare. Completo di griffe in acciaio, temperate, rettificate e reversibili. E sarai contattato gratis dal nostro architetto.


EMEC - Pompe dosatrici Scoprite l ampia gamma di pompe dosatrici che soddisfano tutte le necessit di dosaggio. Edizioni Este - Anna Grandori Autori Anna Grandori. Festool PLANEX - Corta, lunga, potente su pareti e soffitti. I Prodotti di Luc - Colle Le migliori colle per protesi capillari. I prezzi pi bassi per bosch tosaerba a filo.


I prezzi pi bassi per secchio muratore. I prezzi pi bassi per tosaerba a filo. In passato, installare un rilevatore di potenza era un processo complicato, che.

Nessun commento:

Posta un commento

Nota. Solo i membri di questo blog possono postare un commento.